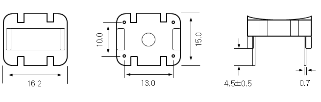
WIRE0.5 ~ 0.8 m/m
COREFERRITE
INDUCTANCE1 ~ 5 mH
299th street 7, Euichang road, Changwon-gu, Kyeongnam (Sodab-dong 156-7) / Representative : Kim Hyeon-Jong / Business registration number : 653-86-01243 / Privacy statement
Tel : +82-55-296-9467, 296-3163~4 / Fax : +82-55-296-0233 / E-mail : coil@kanglimel.co.kr
COPYRIGHT (C) KANGLIM EL.CO.,LTD. ALL RIGHTS RESERVED made by ENGNEWS