main
Based on a pleasant corporate environment,
Quality first principle is pursued.

Customer satisfaction is pursued
with the Products and Services that meet the customer requirements.

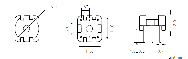
 EMI/SF COIL LINE FILTER

KL13

Specification is based on the order.

WIRE0.3 ~ 0.6 m/m

COREFERRITE

INDUCTANCE1 ~ 4 mH