main
Based on a pleasant corporate environment,
Quality first principle is pursued.

Customer satisfaction is pursued
with the Products and Services that meet the customer requirements.

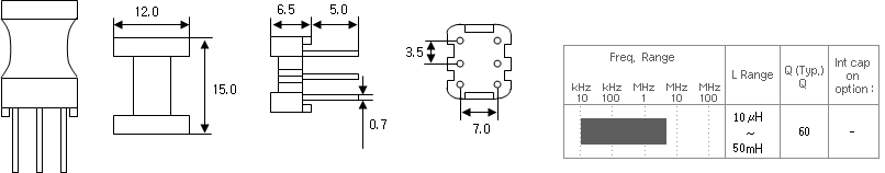
 INDUCTOR COIL

KL1215 (HDT)

Specification is based on the order.

COREFERRITE (DR)

TUBEPVC or SHT

BASEPHENOL